| 产品用途 | 编程座、测试座,对QFN8的IC芯片进行烧写、测试 |
|---|---|
| 适用封装 | QFN8,MLP8,MLF8 引脚间距1.3mm |
| 特点 | 底部引出引脚为不规则排列 |
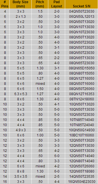
QFN8 编程座/测试座适用芯片详细规格,以及适配座外形尺寸:
| 型号 | 引脚间距 | 引脚数 | 适用IC尺寸 | 外型尺寸 | 中心脚 |
|---|---|---|---|---|---|
| 实体 A x B |
|||||
| 08TN13S18060 | 1.3 | 8(4×2 Side) | 8 × 6 | 27.43 x 20.32 | 无 |
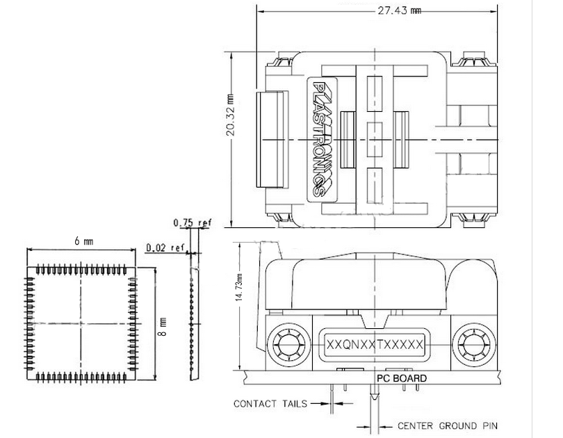
DETAIL DRAWINGS :
.png)
08TN13S18060 插座外形图

QFN OFFERINGS:
PRODUCT SPECIFICATIONS AND DIMENSIONS

PRODUCT DESCRIPPLASTRONICSON :Plastronics has taken a leadership role in designing and developing socket soluPLASTRONICSons for the newest QFN packages such as MLF, BCC and LPCC. These sockets offer a modular design in a small outline with very low inductance. The new Open Top QFN socket allows for more convenient package loading and unloading in most of the same lead count opPLASTRONICSons as the lidded version.
SPECIFICAPLASTRONICSONS (mm):
● Available in .40, .50, .65, .80 and 1.00 mm pitches
● Custom pitches down to .30 mm
● Lidded and Open Top Sockets for 3 mm - 10 mm packages
● Lidded Sockets for 10 - 16 mm packages
● Center ground pin standard for all sockets
● OpPLASTRONICSonal copper heat slug available for high wattage devices
● Sockets for over 80 different JEDEC standard footprints
MECHANICAL PROPERPLASTRONICSES:
● MounPLASTRONICSng Method to Board: Thru-hole Mount
● Socket OperaPLASTRONICSon: Clamshell lid; ZIF Open Top
● OperaPLASTRONICSng Temperature: -50° C to +150° C
● Contact Force: 30 +/- 5 gf
● Life Cycles: 5,000 Mechanical Cycles
PHYSICAL PROPERPLASTRONICSES:
● PlasPLASTRONICSc Body: PPS
● Contact Base Metal: BeCu
● Contact PlaPLASTRONICSng: Au over Ni; NiB opPLASTRONICSonal
● Center Pin Base Metal Brass; Cu opPLASTRONICSonal
● Center Pin PlaPLASTRONICSng: Au; NiB opPLASTRONICSonal
● Springs, Torsion / Coil: Passivated S.S.
ELECTRICAL PROPERPLASTRONICSES:
● Contact Resistance: < 50 mOhms
● Inductance: 3 nH
● Current RaPLASTRONICSng: .5A with 30°C rise, 1.0A with 75°C rise
● Volume ResisPLASTRONICSvity: 1 x 1015 Ohm-cm
● InsulaPLASTRONICSon Resistance: 560 V/mil
老化座/测试座/烧录座使用注意事项:
老化座/测试座/烧录座属于消耗品,如上所述,其既具有正常使用条件下的正常寿命,若使用过程中存在各种风险造成老化座/测试座/烧录座/插座的失效,我司不对出厂老化座/测试座/烧录座提供保修承诺。
所有产品均享受厂家质保
请复制您的专享连接发送给你的朋友,您将获得返利:
sansi.ucanad.com/product/ProductDetail.aspx
确 定